Mainboard
Mainboard
The Keero mainboard is the core hardware unit of the platform. It concentrates the compute, interaction, power, and expansion responsibilities that make the rest of the system possible.
What The Mainboard Is Meant To Do
At product level, the mainboard acts as:
- the processing core of the device
- the connection point for sensors and interaction hardware
- the power-management backbone
- the interface layer for modular accessories
This is what allows Keero Bot to behave like a coherent platform rather than a collection of disconnected experiments.
Why The Board Matters
From a system point of view, the mainboard is where the platform becomes believable.
It is the place where:
- compute meets interaction hardware
- portable power becomes a real product concern
- external modules connect back into one shared architecture
- firmware can target one stable core instead of multiple ad-hoc boards
Main Functional Areas
Compute
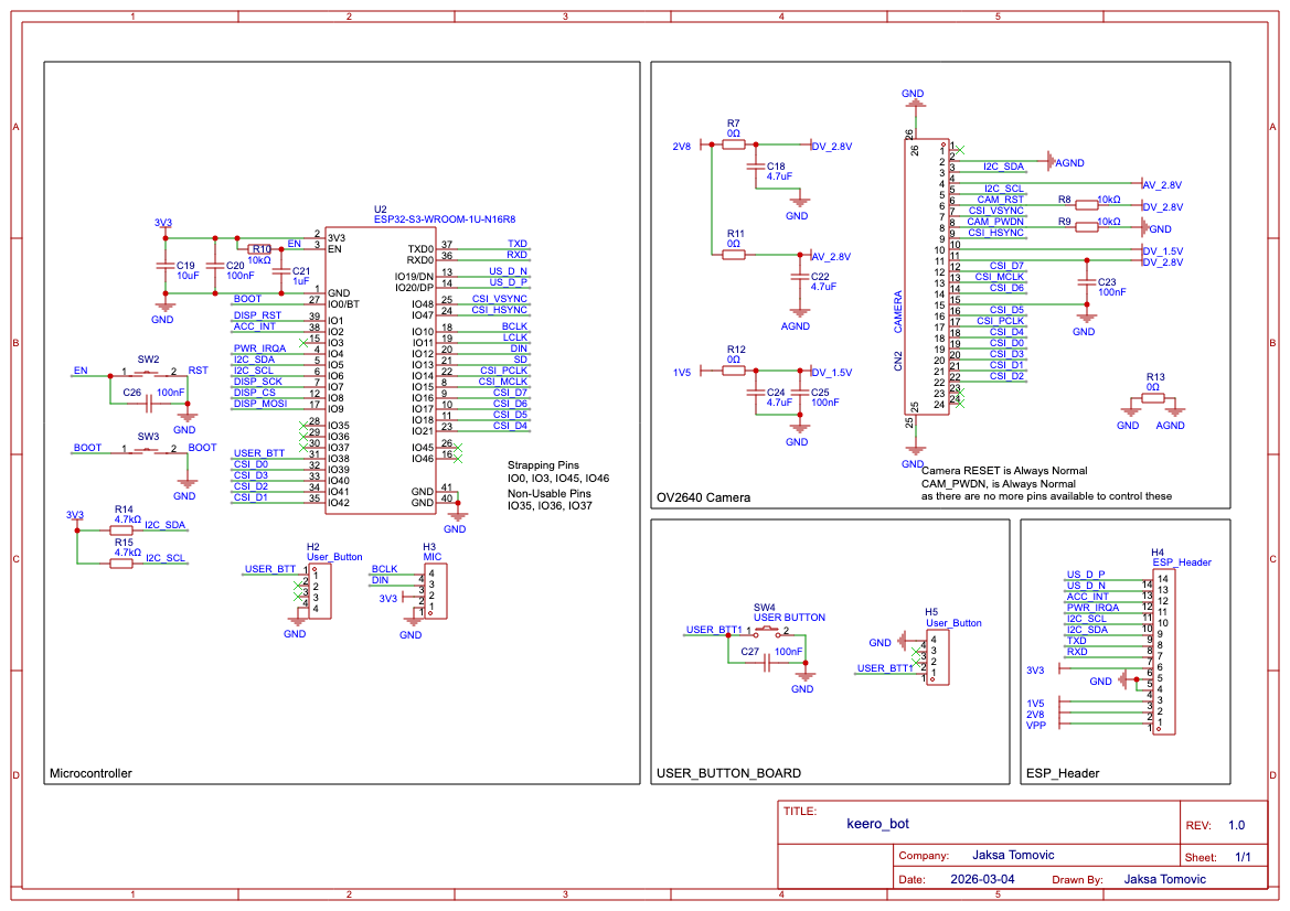
The board is built around an ESP32-S3 class architecture, giving the project a practical balance between embedded performance, connectivity, and firmware flexibility.
This makes the platform suitable for sensor-rich embedded interaction without pushing it into an unrealistic hardware scope.
Sensing and Interaction
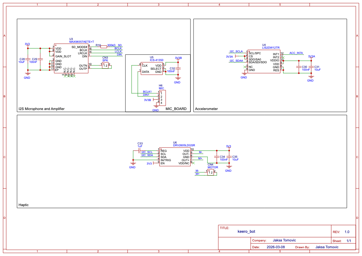
The mainboard supports a multi-modal interaction stack that includes:
- camera input
- audio input and output
- haptic feedback
- motion sensing
- local display support
This multi-modal hardware story is one of the strongest parts of the project because it moves Keero Bot closer to a real device platform.
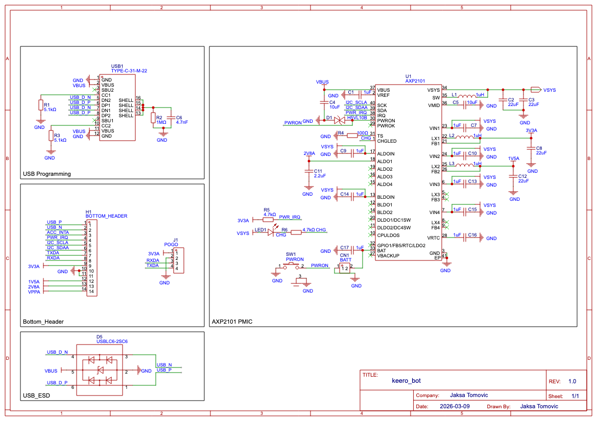
Power
The board includes a managed battery-oriented power subsystem designed for portable use and docking scenarios. Public documentation keeps this section conceptual rather than implementation-specific.
That is enough to communicate product intent while protecting lower-level production detail.
Expansion
The board exposes modular interfaces so the same core platform can support additional hardware such as docks, mobility systems, and future expansion concepts.
In other words, the mainboard is not only the current board. It is the base for the broader Keero hardware family.
Design Philosophy
The mainboard was not designed as a generic breakout board. It was designed as a compact product-oriented core with enough integration to feel serious, while still leaving room for rapid iteration through attached modules.
That balance matters for:
- firmware experimentation
- industrial design iteration
- module prototyping
- sponsor and partner evaluation
Publicly Visible Hardware Scope
The current public release communicates that the mainboard already integrates:
- compute
- camera path
- display path
- audio path
- haptic support
- motion sensing
- development and module access
That is enough detail for high-level technical evaluation without exposing the project as a replication package.
Schematic Previews
The following previews are included as visual architecture references, not as a production release substitute.
The public documentation also includes a schematic PDF for technical review:
The PDF is presented as part of the high-level documentation package, while the broader production release remains controlled.




Public Access Note
This page intentionally stays at subsystem level. Production sources, editable layouts, and manufacturing-specific files are not part of the public documentation release.
